產品系列(lie)
- 化(hua)工(gong)攪(jiao)拌機
- 液(ye)體攪(jiao)拌機(ji)
- 側(ce)入(ru)式攪拌(ban)機
- 反(fan)應釜(fu)攪(jiao)拌機
- 磁(ci)力密(mi)封攪拌(ban)機
- 其(qi)它(ta)攪(jiao)拌(ban)機系(xi)列(lie)
- 攪(jiao)拌桶系列(lie)
- 攪(jiao)拌器系列(lie)
- 減速機(ji)系列(lie)
- 機(ji)架
- 聯軸(zhou)器(qi)
- 機封和(he)填(tian)料(liao)
- 支(zhi)撐(cheng)
- 雙曲(qu)面攪拌(ban)機(ji)
- 潛水攪拌機(ji)推流(liu)器
- 刮(gua)泥(ni)機(ji)系(xi)列(lie)
熱門(men)新(xin)聞
聯軸(zhou)器(qi)
聯軸(zhou)器(qi)
發(fa)布(bu)時間:2018-05-26 點擊(ji)次(ci)數:24642 次

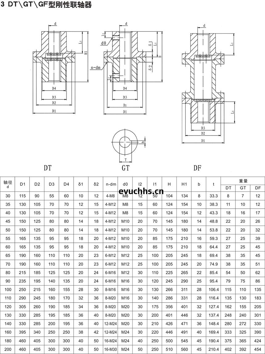
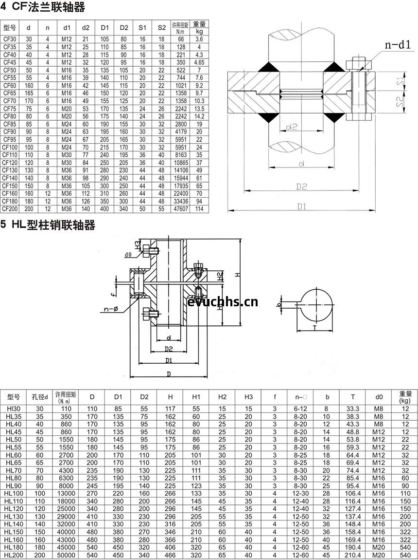
聯軸(zhou)器(qi)是用(yong)來連(lian)接攪(jiao)拌裝(zhuang)置傳動(dong)軸的(de)零件(jian),在傳遞運動(dong)和(he)動(dong)力的(de)過程(cheng)中(zhong),不改變轉動(dong)方向(xiang)和(he)扭(niu)矩大小,本公(gong)司(si)生產(chan)的(de)聯軸(zhou)器(qi)分(fen)剛(gang)性(xing)聯軸(zhou)器(qi)和(he)彈(dan)性(xing)聯軸(zhou)器(qi)兩(liang)大類,剛(gang)性(xing)聯軸(zhou)器(qi)由剛(gang)性(xing)元件(jian)組成。兩(liang)軸連(lian)接時(shi),軸線(xian)對(dui)中(zhong)性好,精度(du)高。彈性(xing)聯軸(zhou)器(qi)由於(yu)具有能產(chan)生較(jiao)大(da)變形和(he)阻尼(ni)作用(yong)的彈(dan)性元件(jian),除了(le)能(neng)補償兩(liang)軸相(xiang)對(dui)位(wei)移(yi)外(wai),還(hai)能起緩(huan)沖(chong)和(he)吸(xi)振(zhen)作(zuo)用(yong)。聯軸(zhou)器(qi)形式的選(xuan)擇與攪拌軸系(xi)的(de)支(zhi)承方(fang)式和(he)機(ji)架類型(xing)有(you)關,選(xuan)擇時應(ying)註(zhu)意(yi)區(qu)別。




- 上(shang)壹篇(pian):機架
- 下(xia)壹篇(pian):機封和(he)填(tian)料(liao)
相(xiang)關產(chan)品



